Главная > Подшипники> Шариковые> Упорные>54211U

54211U — Подшипник шариковый упорный двойного направления, импортное производство по ISO стандарту, размер 55x90x55 номер основного исполнения 54211.
Производится брендами: KOYO, NACHI, NSK.
Цена от:3 767 р.
Цена на подшипник зависит от:
| Обозначение | Модификация |
|---|---|
| 54211 | Основное конструктивное исполнение. |
| 54211+U211 | |
| 54211+2/U 211 |
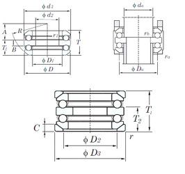
Габаритные размеры
Размеры и геометрические характеристики
Нагрузка и ресурс
Защита
Присоединительные размеры
Конструкция и исполнение
Другие размеры
Конический роликоподшипник 578396A (FAG)
Конический роликоподшипник BTH-1219 (SKF)
Подшипник роликовый радиально-упорный DU5590-5LFT (KOYO)
Конический роликоподшипник PW55900055CSHD (PFI)