Главная > Подшипники> Шариковые> Упорные>54209U+U209

54209U+U209 — Подшипник шариковый упорный, импортное производство по ISO стандарту номер основного исполнения 54209.
Производится брендами: CX, ISO.
Резиновое уплотнение на каждой стороне подшипника.
Цена от:2 374 р.
Цена на подшипник зависит от:
| Обозначение | Модификация |
|---|---|
| 54209 | Основное конструктивное исполнение. |
| 54209U | |
| 54209 + U209 |
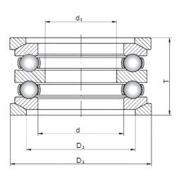
Габаритные размеры
Размеры и геометрические характеристики
Нагрузка и ресурс
Защита
Конструкция и исполнение
Другие размеры