Главная > Подшипники> Шариковые> Упорные>54208U+U208

54208U+U208 — Подшипник шариковый упорный, импортное производство по ISO стандарту номер основного исполнения 54208.
Производится брендами: CX, ISO.
Резиновое уплотнение на каждой стороне подшипника.
Цена от:2 793 р.
Цена на подшипник зависит от:
| Обозначение | Модификация |
|---|---|
| 54208 | Основное конструктивное исполнение. |
| 54208U | |
| 54208 + U 208 | |
| 54208+2/U 208 |
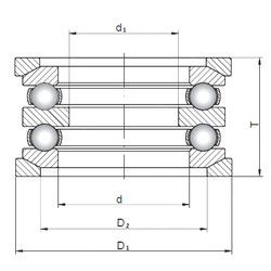
Габаритные размеры
Размеры и геометрические характеристики
Нагрузка и ресурс
Защита
Конструкция и исполнение
Другие размеры