Главная > Подшипники> Шариковые> Упорные>54206U

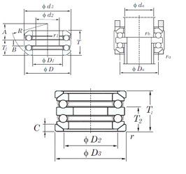
54206U — Подшипник шариковый упорный двойного направления, импортное производство по ISO стандарту, размер 30x52x37 номер основного исполнения 54206.
Производится брендами: KOYO, NACHI, NSK.
Цена от:1 460 р.
Цена на подшипник зависит от:
| Обозначение | Модификация |
|---|---|
| 54206 | Основное конструктивное исполнение. |
| 54206+U206 | |
| 54206U+U206 | Резиновое уплотнение на каждой стороне подшипника. |
Габаритные размеры
Размеры и геометрические характеристики
Нагрузка и ресурс
Защита
Присоединительные размеры
Конструкция и исполнение
Другие размеры