Главная > Подшипники> Шариковые> Упорные>54204U+U204

54204U+U204 — Подшипник шариковый упорный, импортное производство по ISO стандарту номер основного исполнения 54204.
Производится брендами: CX, ISO.
Резиновое уплотнение на каждой стороне подшипника.
Цена от:1 119 р.
Цена на подшипник зависит от:
| Обозначение | Модификация |
|---|---|
| 54204 | Основное конструктивное исполнение. |
| 54204U | |
| 54204+U204 |
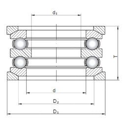
Габаритные размеры
Размеры и геометрические характеристики
Нагрузка и ресурс
Защита
Конструкция и исполнение
Другие размеры