Главная > Подшипники> Шариковые> Упорные>54202+U202

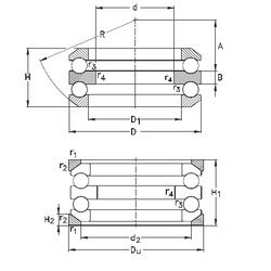
54202+U202 — Осевой радиальный шарикоподшипник, импортное производство по ISO стандарту, размер 10x32x24 номер основного исполнения 54202.
Производитель: NKE.
Цена по запросу
Цена на подшипник зависит от:
| Обозначение | Модификация |
|---|---|
| 54202 | Основное конструктивное исполнение. |
| 54202U | |
| 54202U+U202 | Резиновое уплотнение на каждой стороне подшипника. |
Габаритные размеры
Размеры и геометрические характеристики
Нагрузка и ресурс
Защита
Присоединительные размеры
Конструкция и исполнение
Другие размеры