Главная > Подшипники> Шариковые> Радиально-упорные>540TVL720

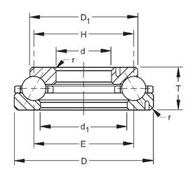
540TVL720 — Радиально-упорный шарикоподшипник, импортное производство по ISO стандарту, размер 1371x1619x139 номер основного исполнения .
Производитель: TIMKEN.
TV = Твердая клетка из армированного стекловолокном полиамида, шариковая езда.
Цена по запросу
Цена на подшипник зависит от:
Габаритные размеры
Размеры и геометрические характеристики
Защита
Конструкция и исполнение