Главная > Подшипники> Роликовые > Радиально-упорные>535/532A

535/532A — Однорядный конический роликовый подшипник, импортное производство по ISO стандарту, размер 111x44x38 номер основного исполнения .
Производится брендами: CX, ISO, KOYO, SKF, TIMKEN.
A = внутренняя модификация конструкции.
Цена от:3 502 р.
Цена на подшипник зависит от:
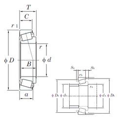
Габаритные размеры
Размеры и геометрические характеристики
Нагрузка и ресурс
Защита
Коэффициенты для расчета
Присоединительные размеры
Конструкция и исполнение