Главная > Подшипники> Шариковые> Упорные>53436X

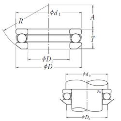
53436X — Осевой радиальный шарикоподшипник, импортное производство по ISO стандарту, размер 180x360x148 номер основного исполнения 53436.
Производитель: NSK.
X = Внешние размеры, соответствующие международным стандартам.
Цена по запросу
Цена на подшипник зависит от:
Габаритные размеры
Размеры и геометрические характеристики
Нагрузка и ресурс
Защита
Присоединительные размеры
Конструкция и исполнение
Другие размеры