Главная > Подшипники> Шариковые> Упорные>53432U

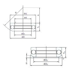
53432U — Осевой радиальный шарикоподшипник, импортное производство по ISO стандарту, размер 160x320x150 номер основного исполнения 53432.
Производитель: NACHI.
Цена по запросу
Цена на подшипник зависит от:
Габаритные размеры
Размеры и геометрические характеристики
Нагрузка и ресурс
Защита
Присоединительные размеры
Конструкция и исполнение
Другие размеры