Главная > Подшипники> Шариковые> Упорные>53430

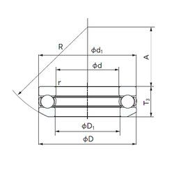
53430 — Осевой радиальный шарикоподшипник, импортное производство по ISO стандарту, размер 150x300x125 основное исполнение.
Производитель: NACHI.
Цена по запросу
Цена на подшипник зависит от:
Габаритные размеры
Размеры и геометрические характеристики
Нагрузка и ресурс
Защита
Присоединительные размеры
Конструкция и исполнение
Другие размеры