Главная > Подшипники> Шариковые> Упорные>53426-MP

53426-MP — Осевой радиальный шарикоподшипник, импортное производство по ISO стандарту, размер 130x270x115 номер основного исполнения 53426.
Производитель: NKE.
P = Литой сепаратор из стеклонаполненного полиамида 6,6, центрируемый по телам качения.
Цена по запросу
Цена на подшипник зависит от:
| Обозначение | Модификация |
|---|---|
| 53426 | Основное конструктивное исполнение. |
| 53426X | X = Внешние размеры, соответствующие международным стандартам. |
| 53426U | |
| 53426XU | X = Внешние размеры, соответствующие международным стандартам. |
| 53426-MP+U426 | M = массивный латунный сепаратор. |
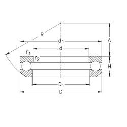
Габаритные размеры
Размеры и геометрические характеристики
Нагрузка и ресурс
Защита
Присоединительные размеры
Конструкция и исполнение
Другие размеры