Главная > Подшипники> Шариковые> Упорные>53422-MP

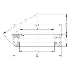
53422-MP — Осевой радиальный шарикоподшипник, импортное производство по ISO стандарту, размер 110x230x99 номер основного исполнения 53422.
Производитель: NKE.
P = Литой сепаратор из стеклонаполненного полиамида 6,6, центрируемый по телам качения.
Цена по запросу
Цена на подшипник зависит от:
| Обозначение | Модификация |
|---|---|
| 53422 | Основное конструктивное исполнение. |
| 53422X | X = Внешние размеры, соответствующие международным стандартам. |
| 53422U | |
| 53422XU | X = Внешние размеры, соответствующие международным стандартам. |
| 53422-MP+U422 | M = массивный латунный сепаратор. |
Габаритные размеры
Размеры и геометрические характеристики
Нагрузка и ресурс
Защита
Присоединительные размеры
Конструкция и исполнение
Другие размеры