Главная > Подшипники> Шариковые> Упорные>53409

53409 — Подшипник шариковый упорный однонаправленный, импортное производство по ISO стандарту, размер 45x100x42 основное исполнение.
Производится брендами: CX, ISO, KOYO, NACHI, NIS, NKE, NSK.
Цена от:4 844 р.
Цена на подшипник зависит от:
| Обозначение | Модификация |
|---|---|
| 53409U | |
| 53409+U409 | |
| 53409U+U409 | Резиновое уплотнение на каждой стороне подшипника. |
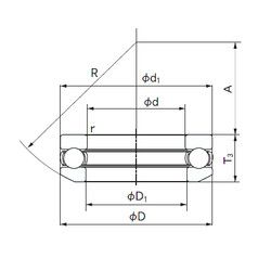
Габаритные размеры
Размеры и геометрические характеристики
Нагрузка и ресурс
Защита
Присоединительные размеры
Конструкция и исполнение
Другие размеры
Прочие характеристики
Подшипник упорный шариковый одинарный со свободным самоустанавливающимся кольцом без подкладного кольца 28409
Радиальный шарикоподшипник UELS309D1N (NTN)
Подшипник роликовый сферический BS2-2309-2CS/VT143 (SKF)
Радиально-упорный шарикоподшипник 5309WD (TIMKEN)