Главная > Подшипники> Шариковые> Упорные>53407

53407 — Подшипник шариковый упорный однонаправленный, импортное производство по ISO стандарту, размер 35x80x34 основное исполнение.
Производится брендами: CX, ISO, KOYO, NACHI, NKE, NSK.
Цена по запросу
Цена на подшипник зависит от:
| Обозначение | Модификация |
|---|---|
| 53407U | |
| 53407U+U307 | Резиновое уплотнение на каждой стороне подшипника. |
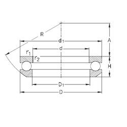
Габаритные размеры
Размеры и геометрические характеристики
Нагрузка и ресурс
Защита
Присоединительные размеры
Конструкция и исполнение
Другие размеры
Подшипник шариковый двухрядный радиально-упорный 3307 (CRAFT, CX, CYSD, ISO, KOYO)
Подшипник шариковый радиально-упорный двухрядный 3056307.2RS
Подшипник шариковый радиально-упорный двухрядный 3056307 (ГПЗ-23)
Подшипник шариковый радиально-упорный 3156307 (ГПЗ-4)
Подшипник шариковый радиально-упорный 6-3056307 (ГПЗ-23)
Подшипник упорный шариковый одинарный со свободным самоустанавливающимся кольцом без подкладного кольца 28407