Главная > Подшипники> Шариковые> Упорные>53406U

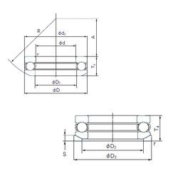
53406U — Осевой радиальный шарикоподшипник, импортное производство по ISO стандарту, размер 30x70x33 номер основного исполнения 53406.
Производится брендами: KOYO, NACHI, NSK.
Цена от:2 061 р.
Цена на подшипник зависит от:
| Обозначение | Модификация |
|---|---|
| 53406 | Основное конструктивное исполнение. |
| 53406+U406 | |
| 53406U+U406 | Резиновое уплотнение на каждой стороне подшипника. |
Габаритные размеры
Размеры и геометрические характеристики
Нагрузка и ресурс
Защита
Присоединительные размеры
Конструкция и исполнение
Другие размеры