Главная > Подшипники> Шариковые> Упорные>53330X

53330X — Осевой радиальный шарикоподшипник, импортное производство по ISO стандарту, размер 150x250x83 номер основного исполнения 53330.
Производитель: NSK.
X = Внешние размеры, соответствующие международным стандартам.
Цена по запросу
Цена на подшипник зависит от:
| Обозначение | Модификация |
|---|---|
| 53330 | Основное конструктивное исполнение. |
| 53330U | |
| 53330XU | X = Внешние размеры, соответствующие международным стандартам. |
| 53330-MP | M = массивный латунный сепаратор. |
| 53330+U330 | |
| 53330U+U330 | Резиновое уплотнение на каждой стороне подшипника. |
| 53330-MP + U330 | M = массивный латунный сепаратор. |
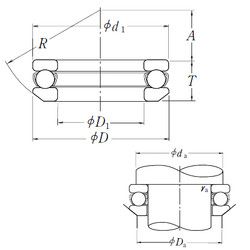
Габаритные размеры
Размеры и геометрические характеристики
Нагрузка и ресурс
Защита
Присоединительные размеры
Конструкция и исполнение
Другие размеры