Главная > Подшипники> Шариковые> Упорные>53326X

53326X — Осевой радиальный шарикоподшипник, импортное производство по ISO стандарту, размер 130x225x80 номер основного исполнения 53326.
Производитель: NSK.
X = Внешние размеры, соответствующие международным стандартам.
Цена от:30 097 р.
Цена на подшипник зависит от:
| Обозначение | Модификация |
|---|---|
| 53326 | Основное конструктивное исполнение. |
| 53326U | |
| 53326XU | X = Внешние размеры, соответствующие международным стандартам. |
| 53326-MP | M = массивный латунный сепаратор. |
| 53326U+U326 | Резиновое уплотнение на каждой стороне подшипника. |
| 53326-MP+U326 | M = массивный латунный сепаратор. |
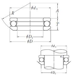
Габаритные размеры
Размеры и геометрические характеристики
Нагрузка и ресурс
Защита
Присоединительные размеры
Конструкция и исполнение
Другие размеры