Главная > Подшипники> Шариковые> Упорные>53322-MP

53322-MP — Подшипник шариковый упорный однонаправленный, импортное производство по ISO стандарту, размер 110x190x67 номер основного исполнения 53322.
Производится брендами: FAG, NKE.
P = Литой сепаратор из стеклонаполненного полиамида 6,6, центрируемый по телам качения.
Цена от:14 612 р.
Цена на подшипник зависит от:
Габаритные размеры
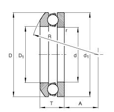
Размеры и геометрические характеристики
Нагрузка и ресурс
Защита
Присоединительные размеры
Конструкция и исполнение
Другие размеры
Прочие характеристики
Подшипник упорный шариковый одинарный со свободным самоустанавливающимся кольцом без подкладного кольца 28322
Осевой радиальный шарикоподшипник 53322M+U322 (SKF)
Подшипник шариковый упорный 53322-MP + U322 (FAG, NKE)