Главная > Подшипники> Шариковые> Упорные>53244XU

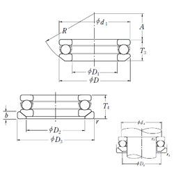
53244XU — Осевой радиальный шарикоподшипник, импортное производство по ISO стандарту, размер 220x300x75 номер основного исполнения 53244.
Производитель: NSK.
X = Внешние размеры, соответствующие международным стандартам.
Цена по запросу
Цена на подшипник зависит от:
| Обозначение | Модификация |
|---|---|
| 53244 | Основное конструктивное исполнение. |
| 53244X | X = Внешние размеры, соответствующие международным стандартам. |
| 53244U | |
| 53244U+U244 | Резиновое уплотнение на каждой стороне подшипника. |
Габаритные размеры
Размеры и геометрические характеристики
Нагрузка и ресурс
Защита
Присоединительные размеры
Конструкция и исполнение
Другие размеры