Главная > Подшипники> Шариковые> Упорные>53238-MP + U238

53238-MP + U238 — Подшипник шариковый упорный, импортное производство по ISO стандарту, размер 190x280x73 номер основного исполнения 53238.
Производитель: FAG.
P = Литой сепаратор из стеклонаполненного полиамида 6,6, центрируемый по телам качения.
Цена по запросу
Цена на подшипник зависит от:
| Обозначение | Модификация |
|---|---|
| 53238 | Основное конструктивное исполнение. |
| 53238X | X = Внешние размеры, соответствующие международным стандартам. |
| 53238U | |
| 53238XU | X = Внешние размеры, соответствующие международным стандартам. |
| 53238-MP | M = массивный латунный сепаратор. |
| 53238+U238 | |
| 53238U+U238 | Резиновое уплотнение на каждой стороне подшипника. |
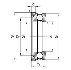
Габаритные размеры
Размеры и геометрические характеристики
Нагрузка и ресурс
Присоединительные размеры
Конструкция и исполнение
Прочие характеристики