Главная > Подшипники> Шариковые> Упорные>53230U

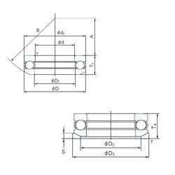
53230U — Осевой радиальный шарикоподшипник, импортное производство по ISO стандарту, размер 150x215x53 номер основного исполнения 53230.
Производится брендами: KOYO, NACHI.
Цена от:19 156 р.
Цена на подшипник зависит от:
| Обозначение | Модификация |
|---|---|
| 53230 | Основное конструктивное исполнение. |
| 53230X | X = Внешние размеры, соответствующие международным стандартам. |
| 53230XU | X = Внешние размеры, соответствующие международным стандартам. |
| 53230-MP | M = массивный латунный сепаратор. |
| 53230+U230 | |
| 53230U+U230 | Резиновое уплотнение на каждой стороне подшипника. |
| 53230-MP + U230 | M = массивный латунный сепаратор. |
Габаритные размеры
Размеры и геометрические характеристики
Нагрузка и ресурс
Защита
Присоединительные размеры
Конструкция и исполнение
Другие размеры