Главная > Подшипники>5322W

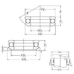
5322W — Радиально-упорный шарикоподшипник, импортное производство по ISO стандарту, размер 110x240x92 номер основного исполнения .
Производитель: TIMKEN.
W = Без кольцевой канавки и смазочных отверстий в наружном кольце.
Цена по запросу
Цена на подшипник зависит от:
Габаритные размеры
Размеры и геометрические характеристики
Нагрузка и ресурс
Защита
Конструкция и исполнение
Подшипник шариковый радиально-упорный 3322 (CX, ISO, KOYO, NKE, SKF)
Подшипник роликовый радиальный сферический двухрядный с цилиндрическим отверстием внутреннего кольца 30-3053322 Н (ГПЗ-11)
Подшипник роликовый радиальный самоцентрирующийся 3053322 (ГПЗ-11)
Подшипник роликовый радиальный самоцентрирующийся 3053322Н (МПЗ)
Подшипник шариковый радиально-упорный двухрядный 3056322
Цилиндрический роликоподшипник A 5322 WB (SIGMA)