Главная > Подшипники> Шариковые> Упорные>53224U

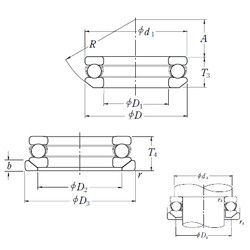
53224U — Подшипник шариковый упорный однонаправленный, импортное производство по ISO стандарту, размер 120x170x46 номер основного исполнения 53224.
Производится брендами: KOYO, NACHI, NSK.
Цена от:9 303 р.
Цена на подшипник зависит от:
| Обозначение | Модификация |
|---|---|
| 53224 | Основное конструктивное исполнение. |
| 53224+U224 | |
| 53224U+U224 | Резиновое уплотнение на каждой стороне подшипника. |
Габаритные размеры
Размеры и геометрические характеристики
Нагрузка и ресурс
Защита
Присоединительные размеры
Конструкция и исполнение
Другие размеры