Главная > Подшипники> Шариковые> Упорные>53217U

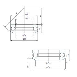
53217U — Подшипник шариковый упорный однонаправленный, импортное производство по ISO стандарту, размер 85x125x37 номер основного исполнения 53217.
Производится брендами: KOYO, NACHI, NSK.
Цена от:4 621 р.
Цена на подшипник зависит от:
| Обозначение | Модификация |
|---|---|
| 53217 | Основное конструктивное исполнение. |
| 53217 U 217 | |
| 53217U+U217 | Резиновое уплотнение на каждой стороне подшипника. |
Габаритные размеры
Размеры и геометрические характеристики
Нагрузка и ресурс
Защита
Присоединительные размеры
Конструкция и исполнение
Другие размеры