Главная > Подшипники> Шариковые> Упорные>53214

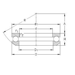
53214 — Подшипник шариковый упорный однонаправленный, импортное производство по ISO стандарту, размер 70x105x28 основное исполнение.
Производится брендами: CX, FAG, ISO, KOYO, NACHI, NIS, NKE, NSK.
Цена от:2 243 р.
Цена на подшипник зависит от:
| Обозначение | Модификация |
|---|---|
| 53214U | |
| 53214U+U214 | Резиновое уплотнение на каждой стороне подшипника. |
Габаритные размеры
Размеры и геометрические характеристики
Нагрузка и ресурс
Защита
Присоединительные размеры
Конструкция и исполнение
Другие размеры
Прочие характеристики