Главная > Подшипники> Шариковые> Упорные>53208

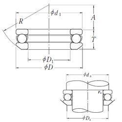
53208 — Подшипник шариковый упорный однонаправленный, импортное производство по ISO стандарту, размер 40x68x20 основное исполнение.
Производится брендами: CX, FAG, ISO, KOYO, NACHI, NIS, NKE, NSK.
Цена от:1 054 р.
Цена на подшипник зависит от:
| Обозначение | Модификация |
|---|---|
| 53208U | |
| 53208+U208 | |
| 53208U+U208 | Резиновое уплотнение на каждой стороне подшипника. |
Габаритные размеры
Размеры и геометрические характеристики
Нагрузка и ресурс
Защита
Присоединительные размеры
Конструкция и исполнение
Другие размеры
Прочие характеристики
Подшипник упорный шариковый одинарный со свободным самоустанавливающимся кольцом без подкладного кольца 28208
Конический роликоподшипник BT1-0348/QCL7C (SKF)