Главная > Подшипники> Шариковые> Радиально-упорные>5317ZZ

5317ZZ — импортное производство по ISO стандарту, размер 85x180x73 номер основного исполнения 5317.
Производитель: AST.
ZZ = Два металлических экрана.
Цена по запросу
Цена на подшипник зависит от:
| Обозначение | Модификация |
|---|---|
| 5317W | W = Без кольцевой канавки и смазочных отверстий в наружном кольце. |
| A 5317 WB | W = Без кольцевой канавки и смазочных отверстий в наружном кольце. B = Измененная внутрення конструкция или ее модификация при неизменных основных размерах. Как правило, значение буквы привязано к определенной серии подшипника. |
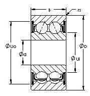
Габаритные размеры
Размеры и геометрические характеристики
Нагрузка и ресурс
Присоединительные размеры
Конструкция и исполнение
Прочие характеристики
Подшипник шариковый двухрядный радиально-упорный 3317 (CX, ISO, KOYO, NKE, SKF)
Подшипник шариковый радиальный однорядный 5-317 (AST)
Подшипник роликовый радиальный с короткими роликами 3092317 Л
Подшипник роликовый радиальный 3092317 ЛМ (ГПЗ-3)
Подшипник шариковый радиально-упорный двухрядный 3056317
Подшипник шариковый радиальный 63317-2RS (CX, ISO)