Главная > Подшипники>5316N

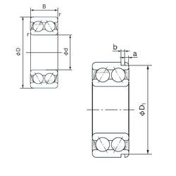
5316N — Радиально-упорный шарикоподшипник, импортное производство по ISO стандарту, размер 80x170x68 номер основного исполнения 5316.
Производитель: NACHI.
N = Канавка под стопорное кольцо в наружном кольце
Цена по запросу
Цена на подшипник зависит от:
| Обозначение | Модификация |
|---|---|
| 5316 | Основное конструктивное исполнение. |
| 5316W | W = Без кольцевой канавки и смазочных отверстий в наружном кольце. |
| 5316NR | Стопорное кольцо и проточка под него в наружном кольце подшипника. |
| 5316ZZ | ZZ = Два металлических экрана. |
| 5316-2RS | Резиновые уплотнения с каждой стороны подшипника. |
| A 5316 WB | W = Без кольцевой канавки и смазочных отверстий в наружном кольце. B = Измененная внутрення конструкция или ее модификация при неизменных основных размерах. Как правило, значение буквы привязано к определенной серии подшипника. |
Габаритные размеры
Размеры и геометрические характеристики
Нагрузка и ресурс
Защита
Присоединительные размеры
Конструкция и исполнение
Другие размеры
Подшипник шариковый упорный однонаправленный 51416 (CX, ISO, KOYO, NACHI, NSK)
Подшипник шариковый двухрядный радиально-упорный 3316 (CX, FAG, ISO, KOYO, NKE)
Подшипник шариковый упорный однонаправленный 51416 MP (FAG, SKF)
Подшипник роликовый радиальный 3222316
Подшипник шариковый радиально-упорный двухрядный 3056316