Главная > Подшипники>5315N

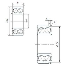
5315N — Радиально-упорный шарикоподшипник, импортное производство по ISO стандарту, размер 75x160x68 номер основного исполнения 5315.
Производитель: NACHI.
N = Канавка под стопорное кольцо в наружном кольце
Цена от:8 483 р.
Цена на подшипник зависит от:
| Обозначение | Модификация |
|---|---|
| 5315 | Основное конструктивное исполнение. |
| 5315W | W = Без кольцевой канавки и смазочных отверстий в наружном кольце. |
| 5315ZZ | ZZ = Два металлических экрана. |
| 5315KG | К = Коническая посадка, конусность 1:12. |
| 5315NR | Стопорное кольцо и проточка под него в наружном кольце подшипника. |
| 5315-2RS | Резиновые уплотнения с каждой стороны подшипника. |
| A 5315 WB | W = Без кольцевой канавки и смазочных отверстий в наружном кольце. B = Измененная внутрення конструкция или ее модификация при неизменных основных размерах. Как правило, значение буквы привязано к определенной серии подшипника. |
Габаритные размеры
Размеры и геометрические характеристики
Нагрузка и ресурс
Защита
Присоединительные размеры
Конструкция и исполнение
Другие размеры
Подшипник шариковый двухрядный радиально-упорный 3315 (CX, FAG, ISO, KOYO, NKE)
Подшипник шариковый радиально-упорный двухрядный 3056315
Подшипник шариковый радиально-упорный 3086315 Л (ГПЗ-23)
Подшипник шариковый радиальный 63315-2RS (CX, ISO)
Подшипник шариковый радиальный 63315 ZZ (CX, ISO)
Подшипник однорядный шариковый радиальный 63315LLB (NTN)