Главная > Подшипники> Шариковые> Радиально-упорные>5314-2RS

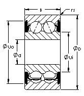
5314-2RS — Подшипник шариковый двухрядный радиально-упорный, импортное производство по ISO стандарту, размер 70x150x63 номер основного исполнения 5314.
Производится брендами: AST, FBJ, KOYO.
Резиновые уплотнения с каждой стороны подшипника.
Цена по запросу
Цена на подшипник зависит от:
| Обозначение | Модификация |
|---|---|
| 5314 | Основное конструктивное исполнение. |
| 5314S | S = смазочный паз и три отверстия в наружном кольце подшипника. |
| 5314N | N = Канавка под стопорное кольцо в наружном кольце |
| 5314W | W = Без кольцевой канавки и смазочных отверстий в наружном кольце. |
| 5314ZZ | ZZ = Два металлических экрана. |
| 5314KG | К = Коническая посадка, конусность 1:12. |
| 5314WG | W = Без кольцевой канавки и смазочных отверстий в наружном кольце. |
| 5314NR | Стопорное кольцо и проточка под него в наружном кольце подшипника. |
| A 5314 WB | W = Без кольцевой канавки и смазочных отверстий в наружном кольце. B = Измененная внутрення конструкция или ее модификация при неизменных основных размерах. Как правило, значение буквы привязано к определенной серии подшипника. |
Габаритные размеры
Размеры и геометрические характеристики
Нагрузка и ресурс
Защита
Присоединительные размеры
Конструкция и исполнение
Прочие характеристики
Подшипник шариковый двухрядный радиально-упорный 3314 (CX, FAG, ISO, KOYO, NKE)
Подшипник шариковый радиально-упорный двухрядный 3056314
Подшипник упорный шариковый одинарный со свободным самоустанавливающимся кольцом без подкладного кольца 28414
Подшипник однорядный шариковый радиальный 63314ZZ (CX, ISO, NTN)
Подшипник шариковый радиальный 63314-2RS (CX, ISO)
Радиальный шарикоподшипник 63314LLB (NTN)