Главная > Подшипники> Шариковые> Радиально-упорные>5313N

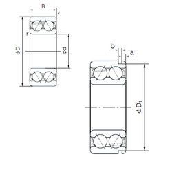
5313N — Радиально-упорный шарикоподшипник, импортное производство по ISO стандарту, размер 65x140x58 номер основного исполнения 5313.
Производитель: NACHI.
N = Канавка под стопорное кольцо в наружном кольце
Цена от:5 035 р.
Цена на подшипник зависит от:
| Обозначение | Модификация |
|---|---|
| 5313 | Основное конструктивное исполнение. |
| 5313W | W = Без кольцевой канавки и смазочных отверстий в наружном кольце. |
| 5313D | D = профиль наружного кольца, усовершенствованный, с увеличенной зоной несущей нагрузки и оптимизированными краевыми переходами. |
| 5313S | S = смазочный паз и три отверстия в наружном кольце подшипника. |
| 5313WG | W = Без кольцевой канавки и смазочных отверстий в наружном кольце. |
| 5313NR | Стопорное кольцо и проточка под него в наружном кольце подшипника. |
| 5313ZZ | ZZ = Два металлических экрана. |
| 5313KG | К = Коническая посадка, конусность 1:12. |
| 5313-2RS | Резиновые уплотнения с каждой стороны подшипника. |
| 5313ZZG15 | G15 = Формованная литьевая клетка из армированного стекловолокном полиамида 6,6, с вращающимся элементом по центру. |
| A 5313 WB | W = Без кольцевой канавки и смазочных отверстий в наружном кольце. B = Измененная внутрення конструкция или ее модификация при неизменных основных размерах. Как правило, значение буквы привязано к определенной серии подшипника. |
| 5313NRZZG15 | G15 = Формованная литьевая клетка из армированного стекловолокном полиамида 6,6, с вращающимся элементом по центру. |
Габаритные размеры
Размеры и геометрические характеристики
Нагрузка и ресурс
Защита
Присоединительные размеры
Конструкция и исполнение
Другие размеры
Подшипник шариковый двухрядный радиально-упорный 3313 (CRAFT, CX, CYSD, INA, ISO)
Подшипник шариковый радиально-упорный 3086313
Подшипник роликовый радиальный с короткими роликами однорядный с однобортовым внутренним и фасонным упорным кольцом 30-62613 М (ГПЗ-3)
Подшипник шариковый радиально-упорный двухрядный 3056313
Подшипник шариковый радиально-упорный 3086313 Л
Подшипник шариковый радиально-упорный 8-3086313 (ГПЗ-1)