Главная > Подшипники> Шариковые> Радиально-упорные>5312ZZ

5312ZZ — Подшипник шариковый радиально-упорный, импортное производство по ISO стандарту, размер 60x130x54 номер основного исполнения 5312.
Производится брендами: CYSD, FBJ, KOYO.
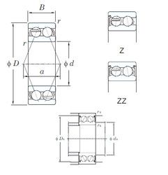
2Z = Металлические шайбы с каждой стороны подшипника.
Цена от:4 525 р.
Цена на подшипник зависит от:
| Обозначение | Модификация |
|---|---|
| 5312 | Основное конструктивное исполнение. |
| 5312W | W = Без кольцевой канавки и смазочных отверстий в наружном кольце. |
| 5312N | N = Канавка под стопорное кольцо в наружном кольце |
| 5312S | S = смазочный паз и три отверстия в наружном кольце подшипника. |
| 5312D | D = профиль наружного кольца, усовершенствованный, с увеличенной зоной несущей нагрузки и оптимизированными краевыми переходами. |
| 5312NR | Стопорное кольцо и проточка под него в наружном кольце подшипника. |
| 5312WG | W = Без кольцевой канавки и смазочных отверстий в наружном кольце. |
| 5312KG | К = Коническая посадка, конусность 1:12. |
| 5312-2RS | Резиновые уплотнения с каждой стороны подшипника. |
| 5312ZZG15 | G15 = Формованная литьевая клетка из армированного стекловолокном полиамида 6,6, с вращающимся элементом по центру. |
| A 5312 WB | W = Без кольцевой канавки и смазочных отверстий в наружном кольце. B = Измененная внутрення конструкция или ее модификация при неизменных основных размерах. Как правило, значение буквы привязано к определенной серии подшипника. |
| 5312NRZZG15 | G15 = Формованная литьевая клетка из армированного стекловолокном полиамида 6,6, с вращающимся элементом по центру. |
Габаритные размеры
Размеры и геометрические характеристики
Нагрузка и ресурс
Защита
Присоединительные размеры
Конструкция и исполнение
Подшипник шариковый упорный однонаправленный 53412 (CX, ISO, KOYO, NACHI, NIS)
Подшипник шариковый двухрядный радиально-упорный 3312 (CRAFT, CX, CYSD, ISO, KOYO)
Подшипник шариковый упорный однонаправленный 53412 MP (NKE, NSK)
Подшипник роликовый радиальный 3222312
Подшипник шариковый радиально-упорный двухрядный 3056312 (ГПЗ-23)
Подшипник упорный шариковый одинарный со свободным самоустанавливающимся кольцом без подкладного кольца 28412