Главная > Подшипники> Шариковые> Радиально-упорные>5311ZZ

5311ZZ — Подшипник шариковый двухрядный радиально-упорный, импортное производство по ISO стандарту, размер 55x120x49 номер основного исполнения 5311.
Производится брендами: CYSD, FBJ, KOYO.
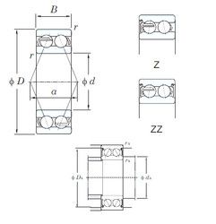
ZZ = Два металлических экрана.
Цена от:3 475 р.
Цена на подшипник зависит от:
| Обозначение | Модификация |
|---|---|
| 5311 | Основное конструктивное исполнение. |
| 5311W | W = Без кольцевой канавки и смазочных отверстий в наружном кольце. |
| 5311D | D = профиль наружного кольца, усовершенствованный, с увеличенной зоной несущей нагрузки и оптимизированными краевыми переходами. |
| 5311N | N = Канавка под стопорное кольцо в наружном кольце |
| 5311K | К = Коническая посадка, конусность 1:12. |
| 5311S | S = смазочный паз и три отверстия в наружном кольце подшипника. |
| 5311KG | К = Коническая посадка, конусность 1:12. |
| 5311WG | W = Без кольцевой канавки и смазочных отверстий в наружном кольце. |
| 5311NR | Стопорное кольцо и проточка под него в наружном кольце подшипника. |
| 5311-2RS | Резиновые уплотнения с каждой стороны подшипника. |
| A 5311 WB | W = Без кольцевой канавки и смазочных отверстий в наружном кольце. B = Измененная внутрення конструкция или ее модификация при неизменных основных размерах. Как правило, значение буквы привязано к определенной серии подшипника. |
| 5311ZZG15 | G15 = Формованная литьевая клетка из армированного стекловолокном полиамида 6,6, с вращающимся элементом по центру. |
| 5311NRZZG15 | G15 = Формованная литьевая клетка из армированного стекловолокном полиамида 6,6, с вращающимся элементом по центру. |
Габаритные размеры
Размеры и геометрические характеристики
Нагрузка и ресурс
Защита
Присоединительные размеры
Конструкция и исполнение
Подшипник шариковый двухрядный радиально-упорный 3311 (CRAFT, CX, CYSD, INA, ISO)
Подшипник шариковый радиально-упорный двухрядный 3056311 Е
Подшипник шариковый радиально-упорный двухрядный 3056311 (ГПЗ-23)
Подшипник шариковый радиальный 63311-2RS (CX, ISO)
Подшипник однорядный шариковый радиальный 63311ZZ (CX, ISO, NTN)
Радиальный шарикоподшипник 63311LLB (NTN)