Главная > Подшипники> Шариковые> Радиально-упорные>5310N

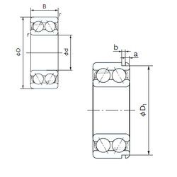
5310N — Радиально-упорный шарикоподшипник, импортное производство по ISO стандарту, размер 50x110x44 номер основного исполнения 5310.
Производитель: NACHI.
N = Канавка под стопорное кольцо в наружном кольце
Цена по запросу
Цена на подшипник зависит от:
| Обозначение | Модификация |
|---|---|
| 5310 | Основное конструктивное исполнение. |
| 5310W | W = Без кольцевой канавки и смазочных отверстий в наружном кольце. |
| S5310 | |
| 5310K | К = Коническая посадка, конусность 1:12. |
| 5310S | S = смазочный паз и три отверстия в наружном кольце подшипника. |
| 5310WG | W = Без кольцевой канавки и смазочных отверстий в наружном кольце. |
| 5310WD | W = Без кольцевой канавки и смазочных отверстий в наружном кольце. |
| 5310NR | Стопорное кольцо и проточка под него в наружном кольце подшипника. |
| 5310KG | К = Коническая посадка, конусность 1:12. |
| 5310ZZ | ZZ = Два металлических экрана. |
| 5310-2RS | Резиновые уплотнения с каждой стороны подшипника. |
| 5310ZZG15 | G15 = Формованная литьевая клетка из армированного стекловолокном полиамида 6,6, с вращающимся элементом по центру. |
| S5310-2RS | Резиновые уплотнения с каждой стороны подшипника. |
| A 5310 WB | W = Без кольцевой канавки и смазочных отверстий в наружном кольце. B = Измененная внутрення конструкция или ее модификация при неизменных основных размерах. Как правило, значение буквы привязано к определенной серии подшипника. |
| 5310EEG15 | E = Увеличенная грузоподъемность. G15 = Формованная литьевая клетка из армированного стекловолокном полиамида 6,6, с вращающимся элементом по центру. |
| 5310NRZZG15 | G15 = Формованная литьевая клетка из армированного стекловолокном полиамида 6,6, с вращающимся элементом по центру. |
| 5310-2RS C3 | 2RS = Резиновые пыле-влагозащитные уплотнения с каждой стороны подшипника. C3 = Внутренний Зазор Больше Обычного. |
Габаритные размеры
Размеры и геометрические характеристики
Нагрузка и ресурс
Защита
Присоединительные размеры
Конструкция и исполнение
Другие размеры
Подшипник шариковый двухрядный радиально-упорный 3310 (CRAFT, CX, CYSD, ISO, KOYO)
Подшипник шариковый радиально-упорный двухрядный 20-3056310 (ГПЗ-23)
Подшипник шариковый радиально-упорный двухрядный 3056310 (ГПЗ-23)
Подшипник шариковый радиально-упорный 3056310 Л (ГПЗ-1)
Подшипник однорядный шариковый радиальный 63310 ZZ (CX, ISO, NTN)
Подшипник однорядный шариковый радиальный 63310-2RS (CX, ISO)