Главная > Подшипники> Шариковые> Радиально-упорные>5309N

5309N — Радиально-упорный шарикоподшипник, импортное производство по ISO стандарту, размер 45x100x39 номер основного исполнения 5309.
Производитель: NACHI.
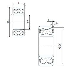
N = Канавка под стопорное кольцо в наружном кольце
Цена от:1 514 р.
Цена на подшипник зависит от:
| Обозначение | Модификация |
|---|---|
| 5309 | Основное конструктивное исполнение. |
| 5309W | W = Без кольцевой канавки и смазочных отверстий в наружном кольце. |
| 5309K | К = Коническая посадка, конусность 1:12. |
| S5309 | |
| 5309S | S = смазочный паз и три отверстия в наружном кольце подшипника. |
| 5309KG | К = Коническая посадка, конусность 1:12. |
| 5309WD | W = Без кольцевой канавки и смазочных отверстий в наружном кольце. |
| 5309ZZ | ZZ = Два металлических экрана. |
| 5309NR | Стопорное кольцо и проточка под него в наружном кольце подшипника. |
| 5309WG | W = Без кольцевой канавки и смазочных отверстий в наружном кольце. |
| 5309-2RS | Резиновые уплотнения с каждой стороны подшипника. |
| 5309EEG15 | E = Увеличенная грузоподъемность. G15 = Формованная литьевая клетка из армированного стекловолокном полиамида 6,6, с вращающимся элементом по центру. |
| 5309ZZG15 | G15 = Формованная литьевая клетка из армированного стекловолокном полиамида 6,6, с вращающимся элементом по центру. |
| S5309-2RS | Резиновые уплотнения с каждой стороны подшипника. |
| A 5309 WB | W = Без кольцевой канавки и смазочных отверстий в наружном кольце. B = Измененная внутрення конструкция или ее модификация при неизменных основных размерах. Как правило, значение буквы привязано к определенной серии подшипника. |
| 5309-2RS C3 | 2RS = Резиновые пыле-влагозащитные уплотнения с каждой стороны подшипника. C3 = Внутренний Зазор Больше Обычного. |
| 5309NRZZG15 | G15 = Формованная литьевая клетка из армированного стекловолокном полиамида 6,6, с вращающимся элементом по центру. |
Габаритные размеры
Размеры и геометрические характеристики
Нагрузка и ресурс
Защита
Присоединительные размеры
Конструкция и исполнение
Другие размеры
Подшипник шариковый упорный однонаправленный 51409 (CX, FAG, FBJ, ISB, ISO)
Подшипник шариковый двухрядный радиально-упорный 3309 (CRAFT, CX, CYSD, ISO, KOYO)
Подшипник шариковый упорный 218409
Подшипник шариковый радиально-упорный 3086309
Подшипник шариковый радиально-упорный двухрядный 3056309 (ГПЗ-23)
Подшипник шариковый радиально-упорный двухрядный 3056309 (2RS)