Главная > Подшипники> Шариковые> Радиально-упорные>5307N

5307N — Радиально-упорный шарикоподшипник, импортное производство по ISO стандарту, размер 35x80x34 номер основного исполнения 5307.
Производитель: NACHI.
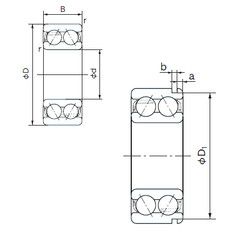
N = Канавка под стопорное кольцо в наружном кольце
Цена от:1 737 р.
Цена на подшипник зависит от:
| Обозначение | Модификация |
|---|---|
| 5307 | Основное конструктивное исполнение. |
| 5307S | S = смазочный паз и три отверстия в наружном кольце подшипника. |
| 5307K | К = Коническая посадка, конусность 1:12. |
| S5307 | |
| 5307W | W = Без кольцевой канавки и смазочных отверстий в наружном кольце. |
| 5307WD | W = Без кольцевой канавки и смазочных отверстий в наружном кольце. |
| 5307WG | W = Без кольцевой канавки и смазочных отверстий в наружном кольце. |
| 5307KG | К = Коническая посадка, конусность 1:12. |
| 5307NR | Стопорное кольцо и проточка под него в наружном кольце подшипника. |
| 5307ZZ | ZZ = Два металлических экрана. |
| 5307-2RS | Резиновые уплотнения с каждой стороны подшипника. |
| 5307SCZZ | ZZ = Два металлических экрана. |
| 5307ZZG15 | G15 = Формованная литьевая клетка из армированного стекловолокном полиамида 6,6, с вращающимся элементом по центру. |
| 5307SCLLD | LL (Сегментное уплотнение, код 2RU) = Лабиринтные уплотнения на обеих сторонах (Уплотнение L = типа = все части уплотнения L = типа покрыты цинком на всех сторонах для улучшения защиты от коррозии = без трения уплотнения). |
| 5307EEG15 | E = Увеличенная грузоподъемность. G15 = Формованная литьевая клетка из армированного стекловолокном полиамида 6,6, с вращающимся элементом по центру. |
| 5307SCLLM | LL (Сегментное уплотнение, код 2RU) = Лабиринтные уплотнения на обеих сторонах (Уплотнение L = типа = все части уплотнения L = типа покрыты цинком на всех сторонах для улучшения защиты от коррозии = без трения уплотнения). |
| S5307-2RS | Резиновые уплотнения с каждой стороны подшипника. |
| A 5307 WB | W = Без кольцевой канавки и смазочных отверстий в наружном кольце. B = Измененная внутрення конструкция или ее модификация при неизменных основных размерах. Как правило, значение буквы привязано к определенной серии подшипника. |
| 5307-2RS C3 | 2RS = Резиновые пыле-влагозащитные уплотнения с каждой стороны подшипника. C3 = Внутренний Зазор Больше Обычного. |
| 5307NRZZG15 | G15 = Формованная литьевая клетка из армированного стекловолокном полиамида 6,6, с вращающимся элементом по центру. |
Габаритные размеры
Размеры и геометрические характеристики
Нагрузка и ресурс
Защита
Присоединительные размеры
Конструкция и исполнение
Другие размеры
Подшипник шариковый двухрядный радиально-упорный 3307 (CRAFT, CX, CYSD, ISO, KOYO)
Подшипник шариковый радиально-упорный двухрядный 3056307.2RS
Подшипник шариковый радиально-упорный двухрядный 3056307 (ГПЗ-23)
Подшипник шариковый радиально-упорный 3156307 (ГПЗ-4)
Подшипник шариковый радиально-упорный 6-3056307 (ГПЗ-23)
Подшипник упорный шариковый одинарный со свободным самоустанавливающимся кольцом без подкладного кольца 28407