Главная > Подшипники> Шариковые> Радиально-упорные>5305N

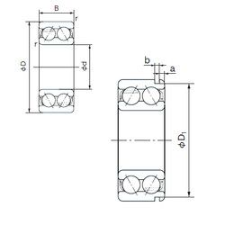
5305N — Радиально-упорный шарикоподшипник, импортное производство по ISO стандарту, размер 25x62x25 номер основного исполнения 5305.
Производитель: NACHI.
N = Канавка под стопорное кольцо в наружном кольце
Цена от:1 023 р.
Цена на подшипник зависит от:
| Обозначение | Модификация |
|---|---|
| 5305 | Основное конструктивное исполнение. |
| S5305 | |
| 5305K | К = Коническая посадка, конусность 1:12. |
| 5305S | S = смазочный паз и три отверстия в наружном кольце подшипника. |
| 5305NR | Стопорное кольцо и проточка под него в наружном кольце подшипника. |
| 5305ZZ | ZZ = Два металлических экрана. |
| 5305KG | К = Коническая посадка, конусность 1:12. |
| 5305SCZZ | ZZ = Два металлических экрана. |
| 5305KDD2 | DD = резиновые уплотнения на каждой стороне подшипника. |
| 5305-2RS | Резиновые уплотнения с каждой стороны подшипника. |
| 5305SCLLM | LL (Сегментное уплотнение, код 2RU) = Лабиринтные уплотнения на обеих сторонах (Уплотнение L = типа = все части уплотнения L = типа покрыты цинком на всех сторонах для улучшения защиты от коррозии = без трения уплотнения). |
| 5305SCLLD | LL (Сегментное уплотнение, код 2RU) = Лабиринтные уплотнения на обеих сторонах (Уплотнение L = типа = все части уплотнения L = типа покрыты цинком на всех сторонах для улучшения защиты от коррозии = без трения уплотнения). |
| S5305-2RS | Резиновые уплотнения с каждой стороны подшипника. |
| 5305K PRB | К = Коническая посадка, конусность 1:12. |
| 5305EEG15 | E = Увеличенная грузоподъемность. G15 = Формованная литьевая клетка из армированного стекловолокном полиамида 6,6, с вращающимся элементом по центру. |
| 5305ZZG15 | G15 = Формованная литьевая клетка из армированного стекловолокном полиамида 6,6, с вращающимся элементом по центру. |
| 5305NRZZG15 | G15 = Формованная литьевая клетка из армированного стекловолокном полиамида 6,6, с вращающимся элементом по центру. |
| 5305-2RS C3 | 2RS = Резиновые пыле-влагозащитные уплотнения с каждой стороны подшипника. C3 = Внутренний Зазор Больше Обычного. |
Габаритные размеры
Размеры и геометрические характеристики
Нагрузка и ресурс
Защита
Присоединительные размеры
Конструкция и исполнение
Другие размеры
Однорядный конический роликовый подшипник 32305 (CRAFT, CYSD, FAG, FBJ, ISB)
Подшипник шариковый двухрядный радиально-упорный 3305 (CRAFT, CX, CYSD, ISO, KOYO)
Подшипник шариковый радиально-упорный двухрядный 3056305 (ГПЗ-23)
Однорядный конический роликовый подшипник 32305 J2 (FAG, SKF)
Подшипник шариковый радиально-упорный двухрядный 15-3056305 (ГПЗ-1)
Подшипник шариковый радиально-упорный двухрядный 3056305 Е