Главная > Подшипники> Шариковые> Радиально-упорные>5304N

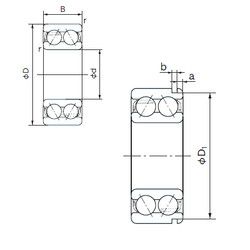
5304N — Радиально-упорный шарикоподшипник, импортное производство по ISO стандарту, размер 20x52x22 номер основного исполнения 5304.
Производитель: NACHI.
N = Канавка под стопорное кольцо в наружном кольце
Цена от:857 р.
Цена на подшипник зависит от:
| Обозначение | Модификация |
|---|---|
| 5304 | Основное конструктивное исполнение. |
| 5304S | S = смазочный паз и три отверстия в наружном кольце подшипника. |
| 5304K | К = Коническая посадка, конусность 1:12. |
| S5304 | |
| 5304KG | К = Коническая посадка, конусность 1:12. |
| 5304NR | Стопорное кольцо и проточка под него в наружном кольце подшипника. |
| 5304ZZ | ZZ = Два металлических экрана. |
| 5304KDD | DD = резиновые уплотнения на каждой стороне подшипника. |
| 5304-2RS | Резиновые уплотнения с каждой стороны подшипника. |
| 5304ZZG15 | G15 = Формованная литьевая клетка из армированного стекловолокном полиамида 6,6, с вращающимся элементом по центру. |
| S5304-2RS | Резиновые уплотнения с каждой стороны подшипника. |
| 5304K PRB | К = Коническая посадка, конусность 1:12. |
| 5304EEG15 | E = Увеличенная грузоподъемность. G15 = Формованная литьевая клетка из армированного стекловолокном полиамида 6,6, с вращающимся элементом по центру. |
| 5304-2RS C3 | 2RS = Резиновые пыле-влагозащитные уплотнения с каждой стороны подшипника. C3 = Внутренний Зазор Больше Обычного. |
| 5304NRZZG15 | G15 = Формованная литьевая клетка из армированного стекловолокном полиамида 6,6, с вращающимся элементом по центру. |
Габаритные размеры
Размеры и геометрические характеристики
Нагрузка и ресурс
Защита
Присоединительные размеры
Конструкция и исполнение
Другие размеры
Однорядный конический роликовый подшипник 32304 (CRAFT, CYSD, FAG, FBJ, ISB)
Подшипник шариковый двухрядный радиально-упорный 3304 (CRAFT, CX, CYSD, ISO, KOYO)
Однорядный конический роликовый подшипник 32304 J2 (FAG)
Подшипник шариковый радиально-упорный 3086304 E2
Подшипник шариковый радиально-упорный 3086304 Е3 (ГПЗ-23)
Подшипник шариковый радиально-упорный 3086304 Г (ГПЗ-23)