Главная > Подшипники> Роликовые > Радиально-упорные>527053/HM807010

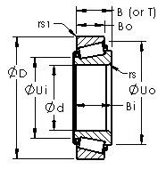
527053/HM807010 — Конический роликоподшипник дюймовая серия, импортное производство по ISO стандарту, размер 54x104x36 номер основного исполнения .
Производитель: AST.
H = высокая, узкая каретка для двухрядного шарикоподшипника и направляющей в сборе.
Цена по запросу
Цена на подшипник зависит от:
Габаритные размеры
Размеры и геометрические характеристики
Присоединительные размеры
Конструкция и исполнение
Прочие характеристики
Однорядный конический роликовый подшипник 4T-HM807048/HM807010 (NTN)
Подшипник роликовый радиально-упорный HM807048/10 (CX, ISO)