Главная > Подшипники> Шариковые> Упорные>52434

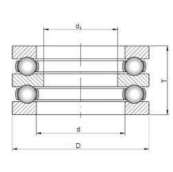
52434 — Подшипник шариковый упорный, импортное производство по ISO стандарту, размер 170x340x236 основное исполнение.
Производится брендами: CX, ISO, NACHI.
Цена по запросу
Цена на подшипник зависит от:
| Обозначение | Модификация |
|---|---|
| 52434X | X = Внешние размеры, соответствующие международным стандартам. |
Габаритные размеры
Размеры и геометрические характеристики
Нагрузка и ресурс
Защита
Присоединительные размеры
Конструкция и исполнение
Другие размеры