Главная > Подшипники> Шариковые> Упорные>52424X

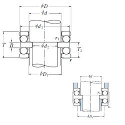
52424X — Осевой радиальный шарикоподшипник, импортное производство по ISO стандарту, размер 120x250x177 номер основного исполнения 52424.
Производитель: NSK.
X = Внешние размеры, соответствующие международным стандартам.
Цена по запросу
Цена на подшипник зависит от:
| Обозначение | Модификация |
|---|---|
| 52424 | Основное конструктивное исполнение. |
Габаритные размеры
Размеры и геометрические характеристики
Нагрузка и ресурс
Защита
Присоединительные размеры
Конструкция и исполнение
Другие размеры