Главная > Подшипники> Шариковые> Упорные>52422

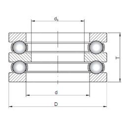
52422 — Подшипник шариковый упорный, импортное производство по ISO стандарту, размер 113x230x166 основное исполнение.
Производится брендами: CX, ISO, KOYO, NACHI.
Цена по запросу
Цена на подшипник зависит от:
| Обозначение | Модификация |
|---|---|
| 52422X | X = Внешние размеры, соответствующие международным стандартам. |
Габаритные размеры
Размеры и геометрические характеристики
Нагрузка и ресурс
Защита
Присоединительные размеры
Конструкция и исполнение
Другие размеры