Главная > Подшипники> Шариковые> Упорные>52418

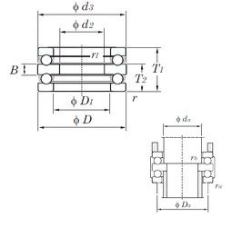
52418 — Подшипник шариковый упорный двойного направления, импортное производство по ISO стандарту, размер 93x190x135 основное исполнение.
Производится брендами: CX, ISO, KOYO, NACHI.
Цена по запросу
Цена на подшипник зависит от:
Габаритные размеры
Размеры и геометрические характеристики
Нагрузка и ресурс
Защита
Присоединительные размеры
Конструкция и исполнение
Другие размеры