Главная > Подшипники> Шариковые> Упорные>52416-MP

52416-MP — Подшипник шариковый упорный двойного направления, импортное производство по ISO стандарту, размер 65x170x120 номер основного исполнения 52416.
Производитель: NKE.
P = Литой сепаратор из стеклонаполненного полиамида 6,6, центрируемый по телам качения.
Цена по запросу
Цена на подшипник зависит от:
| Обозначение | Модификация |
|---|---|
| 52416 | Основное конструктивное исполнение. |
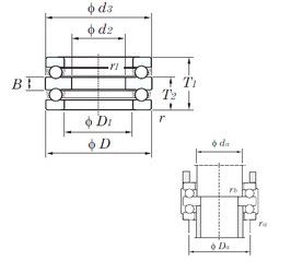
Габаритные размеры
Размеры и геометрические характеристики
Нагрузка и ресурс
Защита
Присоединительные размеры
Конструкция и исполнение