Главная > Подшипники> Шариковые> Упорные>52405

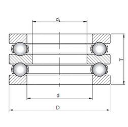
52405 — Подшипник шариковый упорный двойного направления, импортное производство по ISO стандарту, размер 15x60x45 основное исполнение.
Производится брендами: CX, ISO, KOYO, NACHI, NKE, NSK.
Цена по запросу
Цена на подшипник зависит от:
Габаритные размеры
Размеры и геометрические характеристики
Нагрузка и ресурс
Защита
Присоединительные размеры
Конструкция и исполнение
Другие размеры