Главная > Подшипники> Роликовые > Радиально-упорные>52400D/52638+Y1S-52638

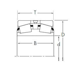
52400D/52638+Y1S-52638 — Конический роликоподшипник, импортное производство по ISO стандарту, размер 101x161x86 номер основного исполнения .
Производитель: TIMKEN.
8Y = Упорный шарикоподшипник двойного направления.
Цена от:2 163 р.
Цена на подшипник зависит от:
Габаритные размеры
Размеры и геометрические характеристики
Защита
Конструкция и исполнение