Главная > Подшипники> Роликовые > Радиально-упорные>52400D/52637

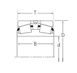
52400D/52637 — Конический роликоподшипник, импортное производство по ISO стандарту, размер 101x161x80 номер основного исполнения .
Производитель: TIMKEN.
D = профиль наружного кольца, усовершенствованный, с увеличенной зоной несущей нагрузки и оптимизированными краевыми переходами.
Цена от:2 163 р.
Цена на подшипник зависит от:
Габаритные размеры
Размеры и геометрические характеристики
Защита
Конструкция и исполнение