Главная > Подшипники> Роликовые > Радиально-упорные>52387/52637

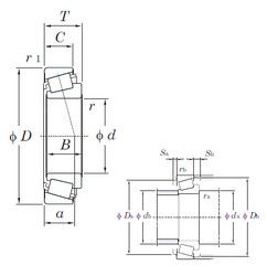
52387/52637 — Однорядный конический роликовый подшипник, импортное производство по ISO стандарту, размер 98x161x36 номер основного исполнения .
Производится брендами: KOYO, NIS, NSK, TIMKEN.
Цена по запросу
Цена на подшипник зависит от:
Габаритные размеры
Размеры и геометрические характеристики
Нагрузка и ресурс
Защита
Коэффициенты для расчета
Присоединительные размеры
Конструкция и исполнение
Прочие характеристики