Главная > Подшипники> Роликовые > Радиально-упорные>52375/52618

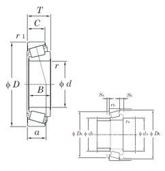
52375/52618 — Однорядный конический роликовый подшипник, импортное производство по ISO стандарту, размер 95x157x36 номер основного исполнения .
Производится брендами: CX, FBJ, ISO, KOYO, NACHI, TIMKEN.
Цена от:4 555 р.
Цена на подшипник зависит от:
Габаритные размеры
Размеры и геометрические характеристики
Нагрузка и ресурс
Защита
Коэффициенты для расчета
Присоединительные размеры
Конструкция и исполнение